Главная Продукты Dual Lens - HXC6D60/150
Dual Lens - HXC6D60/150
Код товара: HXC6D60/150
Категории: Инфракрасный объектив - Двойной объектива
+86 (0)571 8720 9887
+86 (0)571 8512 5358
overseas@ulirvision.com
evaxaiohz
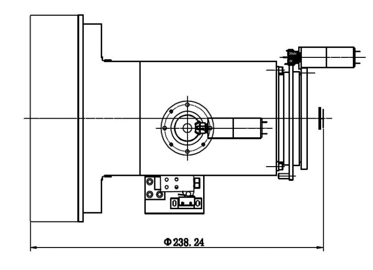
| Пункт | Фокусное расстояние | F Номер | FOV | Вес | Размер (длина / диаметр Д х / D, мм) |
| HXC6D44/132 | 44mm/132mm | 0.8/1.1 | 640*48017μm f=44 14°x11° f=132 4.7°x3.5° 384*288 17μm f=44 8.5°x6.4° f=132 2.8°×2.1° |
<2100g | 160Lx160D |
| HXC6D60/150 | 60mm/150mm | 1 | 640*48017μm f=60 10.4°x7.8° f=150 4.2°x3.1° |
<2100g | 240Lx163D |












